Коротко: предпусковой подогреватель позволяет прогреть двигатель и салон без запуска ДВС, уменьшает износ, экономит топливо на холодном пуске и делает поездки зимой комфортнее. В статье — как выбрать тип и мощность, как прикинуть расход и стоимость, как смонтировать устройство своими руками или что спросить у установщика, а также большая таблица сравнения и расширенный FAQ.
1. Зачем нужен предпусковой подогреватель
Предпусковой подогреватель (ПП) прогревает охлаждающую жидкость (ОЖ) и/или воздух в салоне без запуска двигателя. Его главные задачи:
- Уменьшить износ ДВС при холодном пуске: масло быстрее выходит на рабочую вязкость, снижается трение и ударные нагрузки.
- Облегчить запуск в мороз: стартеру и аккумулятору проще провернуть прогретый мотор.
- Повысить комфорт: лобовое оттаивает, салон тёплый, окна не запотевают.
- Сократить прогрев на холостых и уменьшить расход на первых километрах.
- Сохранить экологию и ресурс: меньше холодных запусков и коротких поездок «на богатой смеси».
Даже в умеренном климате ПП добавляет комфорта и предсказуемости. В северных регионах — часто переходит из разряда «хочу» в «надо».
2. Типы подогревателей и чем они отличаются
На рынке есть три большие группы: жидкостные автономные (топливные), электрические 220 В и воздушные автономные. Последние формально не являются предпусковыми для двигателя — они греют воздух (салон/кузов), но в комплексе с жидкостным ПП дают идеальную «зимнюю» связку, поэтому кратко их тоже разберём.
2.1. Жидкостные автономные (топливные) 12/24 В
- Что это: компактная горелка с теплообменником и циркуляционным насосом, врезается в контур ОЖ и греет антифриз, прокачивая его через рубашку блока.
- Питание: топливо из бака (дизель/бензин) + 12/24 В от АКБ для электроники и помпы.
- Мощность: обычно 3–5 кВт для легковых и 5–9 кВт для коммерческого транспорта/больших дизелей.
- Результат: прогревает мотор и часто — салон через штатный радиатор печки (если есть управление вентилятором).
Плюсы:
- Независимость от розетки, можно греть во дворе, на стоянке, в командировке.
- Быстрый нагрев и совместный прогрев салона.
- Возможность дистанционного/умного управления.
Минусы:
- Есть расход топлива и потребление тока АКБ.
- Сложнее монтаж: топливо, выхлоп, охлаждение, электрика.
- Требовательность к качеству установки (уклоны, отвод конденсата, диаметр магистралей).
Кому подходит: тем, кто не имеет стабильного доступа к 220 В или часто ночует не дома; для дизелей и больших моторов; для регионов с морозами ниже −15…−20 °C.
2.2. Электрические 220 В (стационарные)
- Что это: нагревательный блок (ТЭН) 1–3 кВт, врезается в контур ОЖ. Иногда дополняется наружным/внутренним подогревом масла, АКБ и/или салонным «феном».
- Питание: бытовая сеть 220 В.
- Результат: медленнее, чем автономка, но предсказуемо и дёшево греет двигатель; при наличии салонного обогревателя — и стекло/салон.
Плюсы:
- Нет расхода топлива, минимальная нагрузка на АКБ.
- Простая конструкция и обслуживание, нередко ниже стоимость владения.
- Можно греть долго (таймеры/розетки с расписанием).
Минусы:
- Нужна розетка поблизости (парковка у дома/гараж).
- Время разогрева выше при той же «паспортной» мощности.
- В отдельных авто сложнее найти удобную точку врезки (зависит от компоновки).
Кому подходит: жители частных домов/гаражей, дворов с «умными» стоянками и розетками; умеренный климат и/или небольшие моторы; экономия без потери ресурса.
2.3. Воздушные автономные (для салона и кузова)
- Что это: воздушная горелка 2–5 кВт, греет воздух, а не ОЖ. Устанавливается в салоне/багажнике/фургоне.
- Цель: быстро согреть кабину, фургон, жилой модуль, грузовой отсек.
- Важно: не прогревает двигатель — это не предпусковой в классическом смысле.
Плюсы: очень быстро нагревает воздух, низкий расход, тишина, комфорт.
Минусы: не решает холодный пуск ДВС; требует выхлопа и забора воздуха.
Кому подходит: кемперы, фургоны, коммерческий транспорт, часто ночующие в машине.
2.4. Штатные решения и гибридные схемы
Многие производители закладывают «полуштатные» решения: место под ПП, готовые точки отбора топлива, электроразводку под таймер и т.п. Иногда заводской пакет «зимний» включает электрический блок 220 В, проводку к АКБ и салонный вентилятор от сети. Бывают и гибридные связки — электрический ПП + салонный фен 220 В; автономный жидкостный ПП + воздушная автономка для кемпинга.
3. Как выбрать подогреватель: пошаговый чек-лист
- Климат и сценарий: насколько часто у вас реальные морозы ниже −15 °C? Ночёвки вне дома? Долгие стоянки на улице?
- Двигатель и топливо: объём, тип (бензин/дизель), современная экология (Евро‑5/Евро‑6) — важны потоки ОЖ и чувствительность электроники.
- Доступ к 220 В: есть розетка на парковке/в гараже? Можно ли легально протянуть кабель?
- Бюджет и TCO: считаете не только цену покупки, но и стоимость владения: расход топлива/электроэнергии, обслуживание, ресурс свечи/помпы.
- Комфорт: нужен ли прогрев салона и оттайка стекла к моменту посадки? Нужны ли вентиляция/осушка?
- Управление: хватит ли простого таймера или нужен GSM/LTE, приложения, интеграция по CAN/LIN?
- Гарантия и сервис: для новых авто уточните, не влияет ли установка на гарантию. Ищите установщиков с опытом именно вашей модели.
- Юридические нюансы: нельзя выводить выхлоп рядом с дверями/окнами (людьми), запрещён «самопал» без глушителя/искрогасителя; соблюдайте нормы пожарной безопасности.
- Будущие планы: перевозка детей, кемпинг, работа на севере — подумайте о связке жидкостный ПП + салонный обогрев.
- Сложность установки: готовы ли ставить сами? Если нет — закладывайте профессиональный монтаж.
4. Мощность и время прогрева: ориентиры по климату и объёму двигателя
Ниже — усреднённые рекомендации (для исправной системы охлаждения, антифриза требуемого класса и нормального АКБ). Фактическое время зависит от компоновки, теплоизоляции моторного отсека, статуса термостата, вязкости масла и пр.
Рекомендованная мощность жидкостного ПП
- Бензин 1.2–1.8 л — 3–4 кВт
- Бензин 2.0–3.0 л — 4–5 кВт
- Дизель 1.6–2.0 л — 4–5 кВт
- Дизель 2.0–3.0+ л, коммерческий транспорт — 5–9 кВт
Оценка времени прогрева при −20 °C
- 3 кВт: 45–75 мин для двигателя 1.6–2.0 л
- 5 кВт: 25–45 мин для 2.0–3.0 л
- 9 кВт: 20–35 мин для 3.0–4.0 л и лёгкой коммерции
Ориентиры для электрических ПП 220 В
- 1.0–1.5 кВт: мягкий климат / долгое время прогрева (60–120 мин)
- 2.0–2.5 кВт: универсальное решение (45–90 мин)
- 3.0 кВт: быстрый прогрев или суровые морозы (30–60 мин)
Совет: не гонитесь за максимальной мощностью вслепую. Слишком быстрый нагрев при плохой циркуляции может приводить к локальному перегреву, кавитации и некорректной работе термостата. Важен баланс мощности и гидравлики.
5. Расход топлива и электроэнергии: формулы и примеры расчёта
5.1. Автономный жидкостный ПП (топливо)
Типовые данные (усреднённо):
- 3–5 кВт блок: 0.2–0.6 л/ч топлива (бензин/дизель).
- Потребление бортсети: 1–5 А в установившемся режиме, кратковременно выше при розжиге/продувке.
Как прикинуть расход на один прогрев:
- Оцените длительность прогрева t (часы). Пример: 40 минут → t = 0.67 ч.
- Возьмите средний «паспортный» расход q (л/ч) для вашей мощности и топлива. Пример: q = 0.30 л/ч.
- Расход за сессию:
Q = q × t. Пример: Q = 0.30 × 0.67 ≈ 0.20 л. - За неделю/месяц умножьте на частоту прогревов.
На что влияет расход:
- Чем холоднее — тем дольше сессия (если мощность та же).
- Грязный теплообменник/свеча, забитый выхлоп, бедная циркуляция ОЖ — ведут к перерасходу и ошибкам.
- Дизель часто экономичнее бензина при равной мощности ПП.
5.2. Электрический ПП 220 В (электроэнергия)
Типовые данные: 1–3 кВт постоянной мощности.
Расчёт за сессию: W = P × t, где P — кВт, t — часы.
Пример: 2 кВт на 1.5 ч → W = 2 × 1.5 = 3 кВт·ч.
Себестоимость: умножьте на тариф вашего региона (дневной/ночной).
Пример: 3 кВт·ч × Тариф. Ночной тариф иногда вдвое ниже дневного.
Важно: для корректного сравнения приводите расход к одинаковой температуре и цели (например, выход на 50–60 °C по ОЖ и оттайка лобового).
5.3. Сравнение «топливо vs электричество» — когда что выгоднее
- Если у вас есть 220 В, электрический ПП чаще дешевле в эксплуатации, особенно при ночном тарифе.
- Автономка выигрывает там, где нет розетки и где нужны короткие, но частые прогревы в разных местах.
- В суровом климате гибрид (электрический ПП + салонный фен 220 В или автономный ПП + воздушная автономка) обеспечивает и ресурс ДВС, и комфорт в салоне/кузове.
6. Управление и автоматика: таймеры, брелки, GSM/LTE, CAN/LIN
- Простые таймеры: старт по расписанию (каждый будний день к 7:30), задержка/длительность.

- Брелок/радио: старт/стоп и статус в радиусе 300–1000 м (зависит от местности).

- GSM/LTE/приложение: управление со смартфона, уведомления об ошибках, геозона, температурные сценарии.

- Интеграция по CAN/LIN: корректная активация штатных заслонок, вентилятора печки и/или климат-контроля для прогрева салона.

- Умные розетки 220 В: для электрических ПП — графики, таймеры, удалённый контроль потребления, защита по току и RCD (УЗО).

7. Подготовка к монтажу: безопасность, инструменты, расходники
- Безопасность: работайте в проветриваемом помещении, используйте перчатки, защиту глаз; машинка на ручнике/опорах. При работах по топливу — исключите искры/открытый огонь.
- Инструмент: набор ключей/головок, отвёртки, кусачки, хомуты, нож, дрель и коронки (для выхлопа), паяльник/кримпер для обжимок, мультиметр, манометр/вакуумметр (по желанию).
- Расходники: термостойкие шланги ОЖ нужного диаметра, тройники/фитинги, антифриз, герметик, теплоизоляция, гофра, топливный шланг и фильтр, термостойкие хомуты, электрические клеммы, предохранители и провод достаточного сечения.
- Схема: заранее нарисуйте трассы ОЖ, топлива, выхлопа и проводки, отметьте уклоны и крепёжные точки, места стационарных отверстий (учитывайте защищённость от влаги/грязи).
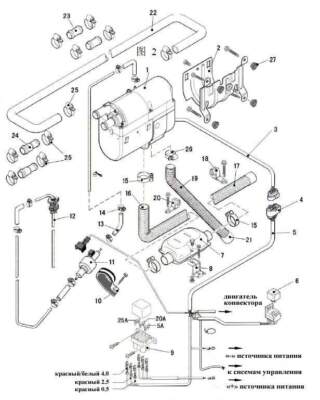
8. Установка: схемы врезки, топливная магистраль, выпуск, электрика
8.1. Монтаж жидкостного автономного подогревателя
Схема ОЖ:
- Чаще всего ПП ставят параллельно контуру печки или последовательно в обратку радиатора.
- Важно обеспечить циркуляцию через рубашку блока, а не только «локальный круг».
- Располагайте блок ниже верхней точки контура, чтобы воздух сам выходил через расширительный бачок.
- Уклон шлангов — к расширительному бачку, минимум перегибов и «петель».
Топливо:
- Берите подачу через штатный отбор в крышке бака/модуле (если предусмотрен) или ставьте отдельный заборник, соблюдая глубину.
- Топливный шланг — с термозащитой, вдали от горячих элементов и подвижных частей.
- Импульсный насос ставьте как можно ближе к баку, с учётом направления стрелки; предусмотрите фильтр тонкой очистки.
Выхлоп и воздух:
- Глушитель и трубу выхлопа выводите вниз и назад по ходу, не под двери/людей, с уклоном для вывода конденсата.
- Минимум поворотов и сужений, расстояние до пластика и жгутов — с запасом; используйте теплозащиту.
- Воздухозабор — из чистой зоны, вдали от брызг и снега; исключите «зацикливание» выхлопа.
Электрика:
- Питание через предохранитель и, при необходимости, реле; сечение проводов с запасом по току и длине трассы.
- Корректное подключение к климату/вентилятору печки (если предусмотрено), чтобы обдувать стекло.
- Разнесение силовых и сигнальных жгутов, герметизация разъёмов, защита гофрой и текстильной лентой.
Заправка и развоздушивание:
- Залейте антифриз, поднимите перед авто (если это помогает выгнать воздух), откройте «точки» стравливания.
- Проверьте герметичность всех соединений, хомуты «на горячую» дотяните после цикла прогрева/остывания.
8.2. Монтаж электрического подогревателя 220 В
- Выберите вертикальную ориентацию блока (если требует производитель), чтобы пузырьки выходили вверх.
- Врезка — чаще в нижний патрубок радиатора или обратку печки; добавьте контур циркуляционного насоса, если модель пассивная.
- Проложите кабель 220 В в защитной гофре, выведите влагозащищённый разъём в решётку/за бампер.
- Рекомендуются УЗО (RCD) и автоматический выключатель подходящего номинала; пользуйтесь сертифицированными удлинителями на улице.
- При наличии салонного фена 220 В — отдельная линия/розетка с защитой по току.
8.3. Первый запуск и проверка работы
- Проверьте герметичность ОЖ и топлива под давлением/включением помпы.
- Подключите питание, выполните инициализацию (по инструкции).
- Запустите ПП на минимальной мощности/кратком цикле, следите за ошибками, запахами, течами.
- Измерьте напряжение АКБ до/после, убедитесь, что нет критической просадки.
- Убедитесь, что радиатор печки прогревается, стекло оттаивает, заслонки/вентилятор реагируют (если интеграция есть).
9. Типичные ошибки и как их избежать
- Воздушные пробки в контуре ОЖ: неправильный уклон, верхняя точка выше расширительного бачка, нет стравливания. Решение: переразводка, «точки» выпуска воздуха, подъём морды при запуске.
- Недостаточная циркуляция: слишком длинные/узкие шланги, забитые патрубки, «бутылочные горлышки». Решение: оптимизировать трассу и диаметры.
- Неправильный выхлоп: без уклона, близко к пластику/жгутам, выхлоп под дверью. Решение: корректный маршрут + теплозащита.
- Тонкие провода/нет предохранителя: перегрев, падение напряжения, ошибки розжига. Решение: сечение с запасом, отдельная линия, предохранитель.
- Слабый АКБ: фальстарт/остановка ПП, ошибки. Решение: свежий аккумулятор, обслуживание клемм, проверка генератора.
- Сырой/грязный воздухозабор: ПП «задыхается», коптит. Решение: правильная зона забора, периодическая очистка.
- Неподходящее размещение блока: вибрации, контакт с кузовом, перегрев. Решение: штатные кронштейны, демпферы, технологические зазоры.
- Игнорирование инструкций: у каждого производителя — свои тонкости (режимы продувки, наклоны, допуски топлива/ОЖ).
10. Обслуживание и сезонная профилактика
- Еженедельно: запускать ПП на 10–15 минут даже летом — для смазки помпы и чистоты камеры.
- Ежесезонно: проверка топливного фильтра, чистка выхлопа, осмотр жгутов/крепежа, подтяжка хомутов.
- Раз в 1–2 года: смена антифриза по регламенту авто, обновление термопаст/уплотнений (если предусмотрено).
- По симптомам: дымность, запахи, нестабильный розжиг — повод проверить свечу/сито/датчики/программные ошибки.
- АКБ: поддерживающий заряд (особенно зимой), чистые клеммы, реальная ёмкость.
11. Сравнительная таблица типов предпусковых подогревателей
Значения усреднены и даны для ориентира. Конкретные цифры зависят от модели, авто и условий эксплуатации.
| Тип | Мощность (кВт) | Источник энергии | Средний расход | Потребление бортсети | Время прогрева 1.6–2.0 л при −20 °C | Управление | Преимущества | Ограничения | Сложность установки | Стоимость владения* |
|---|---|---|---|---|---|---|---|---|---|---|
| Жидкостный автономный | 3–5 (легк.), 5–9 (LCV) | Топливо + 12/24 В | 0.2–0.6 л/ч | 1–5 А (пик выше) | 25–75 мин | Таймер, брелок, GSM, CAN | Нет привязки к розетке, быстрый нагрев, прогрев салона | Сложнее монтаж, расход топлива | Средняя/высокая | Средняя |
| Электрический 220 В | 1–3 | Сеть 220 В | 1–3 кВт·ч/ч | 0 А (для авто) | 30–120 мин | Таймер, «умная» розетка | Дешёв в эксплуатации, простая конструкция | Нужна розетка, дольше разогрев | Низкая/средняя | Низкая |
| Воздушный автономный (не ПП) | 2–5 | Топливо + 12/24 В | 0.1–0.3 л/ч | 0.5–2 А | 5–20 мин (салон) | Таймер, брелок, GSM | Быстрый тёплый салон/фургон | Не греет двигатель | Средняя | Низкая/средняя |
* «Стоимость владения» — качественная оценка с учётом расхода и обслуживания: низкая / средняя / высокая.
Сопоставление мощности ПП и объёма двигателя
| Объём ДВС | Рекоменд. мощность жидкостного ПП | Оценка времени при −20 °C |
|---|---|---|
| Бензин 1.2–1.8 л | 3–4 кВт | 45–75 мин |
| Бензин 2.0–3.0 л | 4–5 кВт | 30–50 мин |
| Дизель 1.6–2.0 л | 4–5 кВт | 30–50 мин |
| Дизель 2.0–3.0+ л | 5–9 кВт | 20–40 мин |
12. Вопросы и ответы (FAQ)
В: Автономный ПП нельзя оставлять без присмотра?
О: Современные устройства имеют датчики перегрева, пламени, напряжения, а также алгоритмы продувки. При корректном монтаже и исправности — использовать можно. Соблюдайте инструкции, не перекрывайте выхлоп и воздухозабор.
В: Что надёжнее — бензиновый или дизельный ПП?
О: По ресурсу сопоставимы при корректном топливе и обслуживании. Дизельные модели часто экономичнее, но чувствительны к качеству солярки при сильных морозах (следите за сезонностью и фильтрами).
В: Можно ли греть только салон?
О: Да — воздушной автономкой. Но для ресурса двигателя лучше греть ОЖ (жидкостный ПП), а салон прогревать через радиатор печки или отдельный фен.
В: Сколько «живёт» свеча накала и помпа?
О: Зависит от бренда/модели, качества топлива и частоты запусков. В среднем свеча служит несколько сезонов, помпа — дольше. Регулярные профилактические пуски продлевают ресурс.
В: Не посадит ли ПП аккумулятор?
О: Правильно подобранная длительность сессии и исправный АКБ проблем не создают. Контролируйте напряжение: если ниже 12.2–12.3 В до старта — подзарядите АКБ.
В: Электрический ПП безопасен ли для сети?
О: Используйте УЗО, автомат соответствующего номинала, кабели нужного сечения, влагозащищённые розетки/вилки. Не применяйте «схемы» без заземления.
В: Можно ли ставить ПП на гибриды и авто с Евро‑6?
О: Да, но требуется опытный установщик: тонкости с циркуляцией ОЖ, управлением вентилятором, работой помп, CAN/LIN. Иногда лучше выбирать штатные/сертифицированные решения.
В: Как понять, что мощность выбрана верно?
О: Мотор выходит на 50–70 °C за разумное время без ошибок и «закипания» шлангов, стекло оттаивает, салон тёплый. Если слишком долго — не хватает мощности/циркуляции; если слишком быстро и «кипит» — пересмотр трасс/мощности.
В: Насколько падает расход топлива авто зимой с ПП?
О: Индивидуально. В среднем экономится топливо, которое иначе сжигалось бы на холостом прогреве и коротких поездках с богатой смесью. Главное — ресурс и комфорт.
В: Гарантия на авто слетит?
О: Зависит от дилера/страны. Часто требуется установка у сертифицированного партнёра и использование штатных точек врезки. Уточняйте до монтажа.
В: Нужно ли одевать теплоизоляцию на шланги ОЖ?
О: В холодных регионах — полезно: меньше теплопотерь и быстрее прогрев. Не забывайте про тепловые зазоры и доступ к обслуживанию.
В: Что лучше для «севера»: 220 В или автономка?
О: Если есть стабильный 220 В — электрический ПП дешевле и прост. Но автономка даёт мобильность и быстрый прогрев в полевых условиях. Идеально — комбинированный подход.
В: Как часто запускать ПП летом?
О: 1 раз в 1–2 недели на 10–15 минут — для профилактики (смазка помпы, чистый факел, проверка электроники).
В: Можно ли управлять ПП из «умного дома»?
О: Электрические — легко (умная розетка/реле). Автономные — через GSM/LTE‑модуль и интеграции в приложения/сценарии.
В: Нужен ли отдельный «фен» салона при жидкостном ПП?
О: Не обязательно. Если ПП умеет включать вентилятор печки и прокачивать ОЖ через радиатор, салон прогревается штатно. Отдельный фен ускоряет оттайку лобового при экстремальных морозах.
В: Как долго можно держать ПП включённым?
О: Следуйте регламенту производителя. У автономок обычно есть циклы 30–120 минут; электрические могут работать дольше, но это не всегда имеет смысл — излишний перегрев не ускорит запуск.
В: Нужен ли дополнительный отопитель для АКБ/масла?
О: В сильные морозы — да, особенно для дизелей и авто с «плотной» компоновкой. Нагреватель масла ускоряет выход на вязкость, утепление АКБ повышает пусковой ток.
В: Что делать при ошибке розжига?
О: Проверить топливо (зимняя/арктическая), фильтр, свечу, сетку, напряжение АКБ, выхлоп (засоры/угол), воздухозабор, ошибки ЭБУ ПП. Не запускать десятки раз подряд — сначала устранить причины.
В: Где размещать выхлоп автономки на фургоне/кемпере?
О: С уклоном назад/вниз, вне зоны дверей/окон и спальных мест; соблюдайте расстояния до пластика и топливных магистралей, ставьте теплозащиту и искрогаситель, если требуется.
13. Чек-лист для быстрой оценки перед покупкой
- Морозы ниже −20 °C случаются часто.
- Нет розетки у дома/на работе → нужен автономный ПП.
- Есть гараж/розетка/ночной тариф → электрический ПП приоритетен.
- Объём и тип ДВС учтены, мощность ПП подобрана.
- Нужна оттайка стекла/тёплый салон → проверена интеграция с вентилятором печки.
- Запланирован способ управления: таймер/брелок/GSM/умная розетка.
- Продуман монтаж: трассы ОЖ, топливо, выхлоп, электрика, уклоны, защита.
- Учтены обслуживание, расходники, сезонная профилактика.
- Проверены гарантия/сертификация/требования безопасности.
- На руках понятная смета TCO (стоимость владения) на 2–3 сезона.
14. Заключение
Выбор предпускового подогревателя сводится к нескольким решениям: есть ли 220 В, какой у вас мотор, как часто и где вы запускаете авто зимой, насколько важен салонный комфорт и какую сложность монтажа вы готовы принять.
- Жидкостная автономка — мобильность, быстрый прогрев, независимость от розеток.
- Электрический 220 В — простота, низкие эксплуатационные расходы, предсказуемость.
- Воздушная автономка — комфорт в салоне/фургоне, но не заменяет прогрев двигателя.
Грамотный подбор мощности, продуманная гидравлика, качественная электрика и правильный выхлоп — залог безопасной и долговечной работы. Уделите внимание профилактике и управлению — и зима перестанет быть неожиданностью.















